ТЕХНИЧЕСКИЕ ХАРАКТЕРИСТИКИ
| Модель преобразователя частоты | Соответствующий двигатель, кВт | Номинальный ток на выходе (А) | ||
|---|---|---|---|---|
| G | P | G | P | |
| Вход: 1 фаза, 198-253 В (+5% не более 20 мс), 50/60 Гц ± 2% | ||||
| VCI-G0.4-2B | 0.4 | – | 2.3 | – |
| VCI-G0.75-2B | 0.75 | – | 4.0 | – |
| VCI-G1.5-2B | 1.5 | – | 7.0 | – |
| VCI-G2.2-2B | 2.2 | – | 9.6 | – |
| Вход: 3 фазы, 342-440 В (+5% не более 20 мс), 50/60 Гц ± 2% | ||||
| VCI-G0.4-4B | 0.4 | – | 1.5 | – |
| VCI-G0.75-4B | 0.75 | – | 2.1 | – |
| VCI-G1.5-4B | 1.5 | – | 3.8 | – |
| VCI-G2.2-4B | 2.2 | – | 5.1 | – |
| VCI-G4.0-4B | 4.0 | – | 9.0 | – |
| VCI-G5.5-4B | 5.5 | – | 13 | – |
| VCI-G7.5-4B | 7.5 | – | 17 | – |
| VCI-G11-4B | 11 | – | 25 | – |
| VCI-G15-4B | 15 | – | 32 | – |
ТЕХНИЧЕСКАЯ СПЕЦИФИКАЦИЯ
| Параметры | Описание |
| Основные параметры | |
| Диапазон напряжения и частоты на входе |
1 ~ 198-253 В (+5% не более 20 мс), 50/60 Гц ± 2% 3 ~ 342-440 В (+5% не более 20 мс), 50/60 Гц ± 2% |
| Диапазон напряжения и частоты на выходе | 3 ~ 0-Uвх, 0-320 Гц |
| Диапазон мощностей | 0.4 – 15 кВт |
| Тип подключаемого электродвигателя | Трехфазный асинхронный с КЗР |
| Методы управления | Скалярный |
| Перегрузочная способность |
150% номинального тока в течение 60 с; 180% номинального тока в течение 3 с
(Не чаще 1 раза в 10 минут) |
| Несущая частота | 0.5 ~ 16 кГц |
| Пусковой момент | 1.0 Гц/150% (SVC) |
| Диапазон скоростей | 1:50 (SVC) |
|
Точность отображения выходной частоты |
Цифровое задание: 0.01 Гц
Аналоговое задание: максимальная частота x 0.2% |
| Точность постоянной скорости | ±0.5% (SVC) |
| Увеличение момента (U/f) | Автоматическое, ручное 0.1%…30.0% |
|
Характеристика зависимости (U/f) |
Прямая
Квадратичная Ломаная по нескольким точкам |
| Характеристика разгона/замедления |
4 линейных
S-образная |
| Функция AVR | Автоматическая стабилизация выходного напряжения |
| Функциональные возможности | |
| Панель управления | Несъемная |
| Встроенные расширенные функции | Таймер, встроенное ПИД-регулирование, компенсация отклонения скорости, вызванного повышением нагрузки, функция управления частотой колебаний (применяется в оборудовании намотки текстильной нити) |
| Динамическое торможение | Торможение постоянным током |
| Толчковый режим | Диапазон частот толчкового режима: 0.00 Гц ~ «максимальная частота» |
| Простой ПЛК | 16-скоростная работа через встроенный ПЛК или цифровые входы |
| Многоступенчатый режим | 16-скоростная работа через встроенный ПЛК или цифровые входы |
| ПИД-управление | Реализация системы управления с датчиком обратной связи |
| Безостановочная работа |
При пропадании питания:
менее 10 мс – непрерывная работа более 10 мс – автоперезапуск |
| Сетевые протоколы | Modbus RTU– встроен |
| Опции и аксессуары | Панель, удлинительный кабель, монтажный комплект, защитные покрытия плат, дополнительное оборудование |
| Защитные функции | Полный комплекс |
| Защитное покрытие плат | С2С базовое, С3С опция |
| Степень защиты | IP20 |
| Управление | |
| Каналы команды запуска | Панель, клеммы, сетевой протокол Modbus |
| Задание частоты | Цифровое задание, аналоговое задание напряжения/тока и задание с сетевых протоколов |
| Источник питания | +10 В DC; +24 В DC |
| Входы управления |
5 цифровых входных клемм (DI). Поддерживают только PNP логику. DI5 можно использовать как высокоскоростной импульсный вход с максимальной частотой импульсов 20 кГц.
1 аналоговый вход (AI1) с диапазоном 0 ~ 10 В или 0 ~ 20 мА |
| Выходы управления |
1 импульсный выход (FM) до 20 кГц (который можно использовать, как цифровой выход с открытым коллектором)
1 аналоговый выход AO1 (AOV с диапазоном 0 ~10 В; AOI с диапазоном 0~ 20мА) |
| Условия окружающей среды | |
| Место установки | В помещении, вне зоны действия прямых солнечных лучей, пыли, агрессивных газов, горючего газа, масляной взвеси, пара, без выпадения конденсата |
| Высота над уровнем моря | Ниже 1000 м над уровнем моря (от 1000 до 3000 м при сниженных номинальных характеристиках) |
| Температура окружающей среды | От -10 до +40 °С (эксплуатация со сниженными номинальными характеристиками 1.5% на каждый градус до +50 °С) |
| Относительная влажность | Относительная влажность ниже 90%, без конденсации |
| Охлаждение | Принудительное |
| Вибрация | Менее 5.9 м/с (0.6 g) |
| Температура хранения | От -20 до +55 °С |
Преобразователь INSTART VCI-G4.0-4B 4 кВт
Преобразователи частоты серии VCI – это одни из самых компактных и простых устройств в управлении электродвигателями в линейке преобразователей частоты INSTART. Надежные преобразователи частоты мощностью от 0,4 до 4,0 кВт представляют собой простое и экономически эффективное решение для управления электродвигателем.
ПРОСТОТА В ИСПОЛЬЗОВАНИИ
Необходимый минимум настроек и функциональных возможностей для решения простых задач
КОМПАКТНОСТЬ
Оптимальные габаритные размеры
ВСТРОЕННЫЙ СЕТЕВОЙ ПРОТОКОЛ
В базовой комплектации встроенный ModBUS RTU
ОПЦИЯ – ВЫНОСНАЯ ПАНЕЛЬ УПРАВЛЕНИЯ
Дополнительная выносная панель имеет возможность выноса удлинительным кабелем длиной до 10 м
ОПТИМАЛЬНАЯ СОВОКУПНОСТЬ ЗАЩИТНЫХ ФУНКЦИЙ:
- токовая защита от перегрузки двигателя;
- токовая защита мгновенного действия;
- защита двигателя от перегрева;
- защита от замыкания выходных фаз на землю;
- защита от перегрева выходных каскадов;
- защита от повышенного или пониженного напряжения;
- защита от пропадания фазы на входе;
- защита от ошибок передачи данных;
- защита от пропадания фаз на выходе;
ОБЛАСТЬ ПРИМЕНЕНИЯ
Основное применение серии VCI – системы вентиляции и насосные агрегаты. Также преобразователи частоты серии VCI используются для общепромышленного применения.
СИСТЕМА ОБОЗНАЧЕНИЯ

- Серия
- Режим G – общепромышленный*
- Мощность электродвигателя (кВт) для общепромышленного режима (G)
- Режим P – насосный**
- Мощность электродвигателя (кВт) для насосного режима (P)
- Номинальное напряжение:
2: 1 ~ 220 В ± 15%, 50/60 Гц
4: 3 ~ 380 В ± 15%, 50/60 Гц
- Встроенный тормозной модуль
- Встроенный дроссель постоянного тока
- Платы расширения (является опцией для преобразователей частоты серии FCI и LCI)
- Дополнительное защитное покрытие плат лаком Защитное покрытие плат компаундом
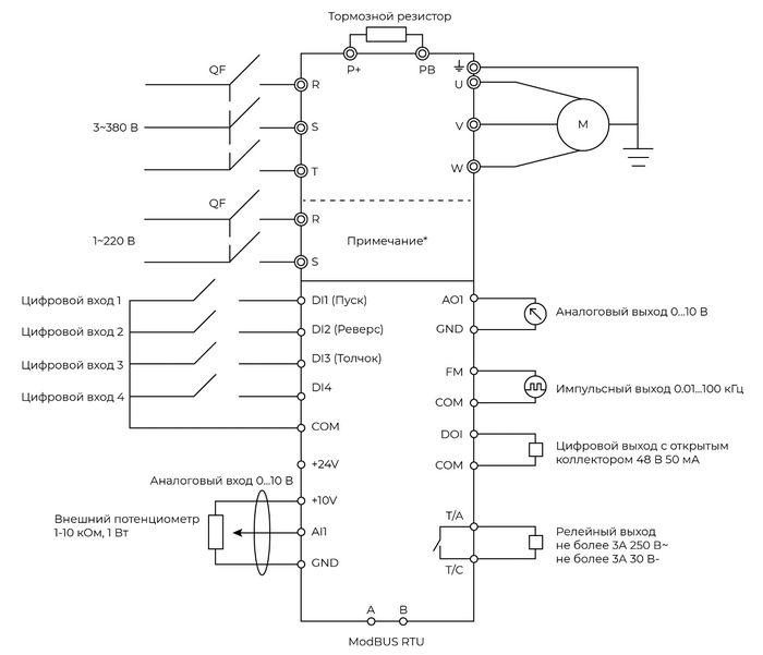
СХЕМА ПОДКЛЮЧЕНИЯ
* Подключение для моделей VCI-G0.4-2B, VCI-G0.75-2B, VCI-G1.5-2B, VCI-G2.2-2B
ГАБАРИТНЫЕ ПРИСОЕДИНИТЕЛЬНЫЕ РАЗМЕРЫ
|
Серия
|
VCI |
|
Мощность
|
4 |
|
Напряжение
|
380В |
|
Тип нагрузки
|
Общепромышленный |
|
Размер (ШхВхГ), мм
|
142x85x110 |
|
Вес, кг
|
0.8 |
|
Ток,А
|
9 |
|
Пусконаладка
|
Да |
|
Гарантия
|
36 месяцев |
Для покупки товара в интернет-магазине ООО «ЭЛЕКТРОПРИВОД» выберите понравившийся товар и добавьте его в корзину. Далее перейдите в Корзину и нажмите на «Оформить заказ» или «Быстрый заказ».
Когда оформляете быстрый заказ, напишите ФИО, телефон и e-mail. Вам перезвонит менеджер ЭЛЕКТРОПРИВОДА и уточнит условия заказа. По результатам разговора на указанный Вами e-mail придет подтверждение оформления заказа.
При оформлении заказа в стандартном режиме заполните форму, указав способ получения товара (самовывоз из бесплатных пунктов выдачи заказов либо адрес для доставки), способ оплаты, данные о себе или организации, которую Вы представляете. Нажмите кнопку «Оформить заказ». Вам перезвонит менеджер ООО «ЭЛЕКТРОПРИВОД» и уточнит условия заказа. По результатам разговора на указанный Вами e-mail придет подтверждение оформления заказа.
Также Вы можете оформить заказ по электронной почте sale@eldrive.ru и телефону 8 (800) 101-28-88 (бесплатный звонок по России). Наши специалисты порекомендуют наиболее подходящее под ваши требования оборудование.
В ООО «ЭЛЕКТРОПРИВОД» заказы отгружаются покупателю после 100% предоплаты. Для покупателей доступны следующие способы оплаты:
Для физических лиц:
- онлайн-оплата;
- оплата наличными курьеру при доставке оборудования;
- оплата наличными в кассах ООО «ЭЛЕКТРОПРИВОД» при самовывозе оборудования
безналичная оплата в банке по квитанции.
- безналичная оплата по счету.
- самовывоз из бесплатных пунктов выдачи заказов по всей РФ.
- доставка собственным или привлеченным транспортом. При выборе этого способа Вам не нужно будет заботиться о сохранности груза, заключать дополнительные договоры и тратить свое время на подбор автомобиля нужной грузоподъемности и общение с перевозчиками.
- отгрузка через транспортные компании (далее ТК). Точная стоимость за услугу доставки через ТК определяется только после сдачи товара на терминал транспортной компании и оплачивается клиентом самостоятельно, если иное не предусмотрено договором.
Мы готовы организовать доставку товара в любую точку РФ.
Наши специалисты помогут рассчитать и подобрать оптимальный способ по стоимости и срокам доставки.


