| Модель преобразователя частоты | Соответствующий двигатель, кВт | Номинальный ток на выходе (А) | ||
|---|---|---|---|---|
| G | P | G | P | |
| Вход: 1 фаза, 198-253 В, выход: 1 фаза, 198-253 В | ||||
| LCI-G0.4-1 | 0.4 | – | 2.8 | – |
| LCI-G0.55-1 | 0.55 | – | 3.8 | – |
| LCI-G0.75-1 | 0.75 | – | 5.2 | – |
| LCI-G1.5-1 | 1.5 | – | 10.0 | – |
| LCI-G2.2-1 | 2.2 | – | 13.8 | – |
| Вход: 1 фаза, 198-253 В, выход: 3 фазы, 198-253 В | ||||
| LCI-G0.4-2B / LCI-G0.4-2B (S) | 0.4 | – | 2.3 | – |
| LCI-G0.55-2B | 0.55 | – | 4.0 | – |
| LCI-G0.75-2B / LCI-G0.75-2B (S) | 0.75 | – | 5.0 | – |
| LCI-G1.5-2B / LCI-G1.5-2B (S) | 1.5 | – | 7.0 | – |
| LCI-G2.2-2B / LCI-G2.2-2B (S) | 2.2 | – | 10 | – |
| LCI-G4.0-2B | 4.0 | – | 15 | – |
| Вход: 1 фаза, 198-253 В, выход: 3 фазы, 342-440 В | ||||
| LCI-G0.4-3 | 0.4 | – | 1.3 | – |
| LCI-G0.75-3 | 0.75 | – | 2.5 | – |
| LCI-G1.5-3 | 1.5 | – | 3.7 | – |
| LCI-G2.2-3 | 2.2 | – | 5.0 | – |
| LCI-G4.0-3 | 4.0 | – | 8.5 | – |
| LCI-G5.5-3 | 5.5 | – | 13 | – |
| Вход: 3 фазы, 342-440 В, выход: 3 фазы, 342-440 В | ||||
| LCI-G0.4/P0.75-4B | 0.4 | 0.75 | 1.3 | 2.5 |
| LCI-G0.75-4B (S) | 0.75 | – | 2.1 | – |
| LCI-G0.75/P1.5-4B | 0.75 | 1.5 | 2.5 | 3.6 |
| LCI-G1.5-4B (S) | 1.5 | – | 3.8 | – |
| LCI-G1.5/P2.2-4B | 1.5 | 2.2 | 3.7 | 5.0 |
| LCI-G2.2-4B (S) | 2.2 | – | 5.0 | – |
| LCI-G2.2/P4.0-4B | 2.2 | 4.0 | 5.0 | 8.5 |
| LCI-G4.0-4B (S) | 4.0 | – | 9.0 | – |
| LCI-G4.0/P5.5-4B | 4.0 | 5.5 | 8.5 | 13 |
| LCI-G5.5/P7.5-4B | 5.5 | 7.5 | 13 | 18 |
| LCI-G7.5/P11-4B | 7.5 | 11 | 18 | 24 |
| LCI-G11/P15-4B | 11 | 15 | 24 | 30 |
| LCI-G15/P18.5-4B | 15 | 18.5 | 30 | 37 |
| LCI-G18.5/P22-4B | 18.5 | 22 | 37 | 46 |
| LCI-G22/P30-4B | 22 | 30 | 46 | 58 |
| LCI-G30/P37-4 | 30 | 37 | 58 | 75 |
| LCI-G37/P45-4 | 37 | 45 | 75 | 90 |
| LCI-G45/P55-4 | 45 | 55 | 90 | 110 |
| LCI-G55/P75-4 | 55 | 75 | 110 | 150 |
| LCI-G75/P90-4 | 75 | 90 | 150 | 170 |
| LCI-G90/P110-4 | 90 | 110 | 170 | 210 |
| LCI-G110/P132-4 | 110 | 132 | 210 | 250 |
| LCI-G132/P160-4 | 132 | 160 | 250 | 300 |
| LCI-G160/P185-4 | 160 | 185 | 300 | 340 |
| LCI-G185/P200-4 | 185 | 200 | 340 | 380 |
| LCI-G200/P220-4 | 200 | 220 | 380 | 430 |
| LCI-G220/P250-4 | 220 | 250 | 430 | 465 |
| LCI-G250/P280-4 | 250 | 280 | 465 | 520 |
| LCI-G280/P315-4 | 280 | 315 | 520 | 585 |
| LCI-G315/P355-4 | 315 | 355 | 585 | 650 |
| LCI-G355/P400-4 | 355 | 400 | 650 | 754 |
| LCI-G400/P450-4 | 400 | 450 | 754 | 820 |
| LCI-G500-4 | 500 | 930 | ||
| LCI-G630-4 | 630 | 1180 | ||
| LCI-G700-4 | 700 | 1430 | ||
| LCI-G800-4 | 800 | 1550 | ||
| Вход: 3 фазы, 594-759 В, выход: 3 фазы, 594-759 В | ||||
| LCI-G18.5-6 | 18.5 | – | 22 | – |
| LCI-G22-6 | 22 | – | 28 | – |
| LCI-G30-6 | 30 | – | 35 | – |
| LCI-G37-6 | 37 | – | 45 | – |
| LCI-G45-6 | 45 | – | 52 | – |
| LCI-G55-6 | 55 | – | 63 | – |
| LCI-G75-6 | 75 | – | 86 | – |
| LCI-G90-6 | 90 | – | 98 | – |
| LCI-G110-6 | 110 | – | 121 | – |
| LCI-G132-6 | 132 | – | 150 | – |
| LCI-G160-6 | 160 | – | 175 | – |
| LCI-G200-6 | 200 | – | 218 | – |
| LCI-G220-6 | 220 | – | 240 | – |
| LCI-G250-6 | 250 | – | 270 | – |
| LCI-G280-6 | 280 | – | 305 | – |
| LCI-G315-6 | 315 | – | 350 | – |
| LCI-G355-6 | 355 | – | 380 | – |
| LCI-G400-6 | 400 | – | 430 | – |
| LCI-G500-6 | 500 | – | 540 | – |
| LCI-G630-6 | 630 | – | 680 | – |
| LCI-G700-6 | 700 | – | 750 | – |
| LCI-G800-6 | 800 | – | 840 | – |
| LCI-G900-6 | 900 | – | 980 | – |
| LCI-G1250-6 | 1250 | – | 1350 | – |
| LCI-G1400-6 | 1400 | – | 1500 | – |
Общепромышленный режим (G) — используется с нагрузкой с постоянным вращающим моментом. В этом случае величина вращающего момента, необходимого для приведения в действие какого-либо механизма, постоянна независимо от скорости вращения. Примером такого режима работы могут служить конвейеры, экструдеры, компрессоры.
Насосный режим (P) — используется с нагрузкой с переменным вращающим моментом. Этот момент имеет отношение к нагрузкам, для которых требуется низкий вращающий момент при низкой частоте вращения, а при увеличении скорости вращения требуется более высокий вращающий момент. Типичным примером такого режима являются насосы (насосы с высоким пусковым моментом необходимо подбирать по общепромышленному режиму (G), к таким насосам можно отнести скважинные насосы, насосы для перекачки вязких жидкостей, вакуумные насосы).
ТЕХНИЧЕСКАЯ СПЕЦИФИКАЦИЯ ПРЕОБРАЗОВАТЕЛЕЙ ЧАСТОТЫ INSTART СЕРИИ LCI
| Параметры | Описание | |
| Основные параметры | ||
|
Диапазон напряжения
и частоты на входе |
1 ~ 198-253 В (+5% не более 20 мс), 50/60 Гц ± 2% 3 ~ 342-440 В (+5% не более 20 мс), 50/60 Гц ± 2% 3 ~ 594-759 В (+5% не более 20 мс), 50/60 Гц ± 2% | |
|
Диапазон напряжения
и частоты на выходе |
1 ~ 0-Uвх, 0 – 599 Гц
3 ~ 0-Uвх, 0 – 599 Гц | |
| Диапазон мощностей | 0.4 – 1400 кВт | |
| Тип подключаемого электродвигателя |
Однофазный асинхронный
Трехфазный асинхронный с КЗР Трехфазный синхронный с ПМ | |
| Методы управления |
Скалярный
Векторный с разомкнутым контуром (бездатчиковый SVC) Векторный с обратной связью (с энкодером, VC) (неприменимо к моделям серии LCI(S)) | |
| Перегрузочная способность (не чаще 1 раза в 10 минут) |
G: 150% от номинального тока в течение 60 с 180% от номинального тока в течение 3 с
P: 120% от номинального тока в течение 60 с 150% от номинального тока в течение 3 с | |
| Несущая частота | 0.5 – 16 кГц | |
| Пусковой момент |
150% от 1.0 Гц (SVC)
180% от 0.0 Гц (VC) (неприменимо к моделям серии LCI(S)) | |
| Диапазон скоростей |
1:200 (SVC)
1:1000 (VC) (неприменимо к моделям серии LCI(S)) | |
|
Точность отображения
выходной частоты |
Цифровое задание: 0.01 Гц
Аналоговое задание: максимальная частота х 0.2% | |
| Точность постоянной скорости | ±0.5% (SVC) | |
| Увеличение момента (U/f) |
Автоматическое
Ручное 0.1…20% | |
|
Характеристика
зависимости U/f |
Прямая
Квадратичная Ломаная по нескольким точкам Раздельный | |
| Характеристика разгона/замедления |
Линейная
S-образная четыре времени разгона/замедления (0.0…6500 с) | |
| Функция AVR | Автоматическая стабилизация выходного напряжения | |
| Фильтр ЭМС | Встроен | |
| Функциональные возможности | ||
| Панель управления | Съемная до 10 м | |
| Управление в векторном режиме | По скорости/по моменту | |
| Встроенные расширенные функции | 2 таймера, счетчик импульсов, длины, расстояния, 2 набора параметров для двух разных электродвигателей, виртуальное реле задержки времени, быстрое ограничение тока, отслеживание скорости перед запуском, встроенное ПИД-регулирование, функция автоматического останова преобразователя частоты по достижении заданного времени, компенсация отклонения скорости, вызванного повышением нагрузки, функция управления частотой колебаний (применяется в оборудовании намотки текстильной нити) | |
| Динамическое торможение | Торможение постоянным током | |
| Толчковый режим |
Диапазон частоты: 0.0…максимальная частота
Отдельное время разгона/замедления для толчкового режима | |
| Простой ПЛК | Задание скорости и времени работы на каждой из 16 ступеней | |
| Многоступенчатый режим | Задание скорости с цифровых клемм с помощью 16 комбинаций | |
| ПИД-управление | Реализация системы управления с 2 датчиками обратной связи | |
| Безостановочная работа |
При пропадании питания:
менее 15 мс – непрерывная работа более 15 мс – автоперезапуск | |
| Сетевые протоколы | Modbus RTU(RS-485) встроен, Profibus DP – опция | |
| Опции и аксессуары | Панель, удлинительный кабель, монтажный комплект, защитные покрытия плат, платы расширения, дополнительное оборудование | |
| Защитные функции |
Полный комплекс + аппаратная защита в моделях LCI от 55 кВт и выше. (Опционально для моделей до 55 кВт) Аппаратная защита осуществляет более высокое быстродействие при токовых перегрузках по сравнению со стандартной программной защитой. | |
| Защитное покрытие плат | С2С базовое, С3С опция | |
| Степень защиты | IP20, IP54 | |
| Управление | ||
| Каналы команды запуска | Панель, клеммы, сетевой протокол | |
| Задание частоты | 10 источников задания частоты | |
| Задание момента | 10 типов источников задания вращающего момента | |
| Источник питания | +10 В DC; +24 В DC | |
| Входы управления |
Для моделей LCI:
6 цифровых (S), PNP/NPN 2 аналоговых (AI) с диапазоном 0…10 В или 0/4…20 мА 1 аналоговый вход (AI) с диапазоном -10…+10 В Импульсных входов нет опционально +1: (HDI) до 100 кГц |
Для моделей LCI (S):
2 аналоговых (AI) с диапазоном 0…10 В или 0/4…20 мА 5 цифровых (S), PNР Импульсных входов нет |
| Выходы управления |
Для моделей LCI:
1 цифровой (МО) 48 В 50 мА Импульсных выходов нет опционально +1: (HDO) до 100 кГц 2 релейный (Т, R) 250 В до 3.0 А 2 аналоговых (АО) с диапазоном 0…10 В или 0/4…20 мА |
Для моделей LCI (S):
1 релейный (R) 250 В до 3.0 А 1 аналоговый (АО) с диапазоном 0…10 В или 0/4…20 мА |
| Условия окружающей среды | ||
| Место установки | В помещении, вне зоны действия прямых солнечных лучей, пыли, агрессивных газов, горючего газа, масляной взвеси, пара, без выпадения конденсата | |
| Высота над уровнем моря | Ниже 1000 м над уровнем моря (от 1000 до 3000 м при сниженных номинальных характеристиках) | |
| Температура окружающей среды | От -10 до +40 °С (эксплуатация со сниженными номинальными характеристиками 1.5% на каждый градус до +50 °С) | |
| Относительная влажность | Относительная влажность ниже 90%, без конденсации | |
| Охлаждение | Принудительное | |
| Вибрация | Менее 5.9 м/с (0.6 g) | |
| Температура хранения | От -20 до +55 °С | |
Преобразователь INSTART LCI-G22/P30-4В 22 кВт
Преобразователи частоты серии LCI были разработаны для общепромышленных применений и могут использоваться в самых разных промышленных отраслях. Частотные преобразователи позволяют регулировать скорость и момент, а также обеспечивают защиту асинхронных трехфазных электродвигателей мощностью от 0.4 до 450 кВт.
ОТЛИЧИТЕЛЬНЫЕ ОСОБЕННОСТИ СЕРИИ:
Работа в двух режимах:
- насосный
- общепромышленный
Два набора параметров электродвигателя:
можно ввести две группы параметров – для первого двигателя и для второго. В случае необходимости реализована возможность переключать привод с одной группы параметров на другую.
Вариативность функциональных возможностей:
Биполярный аналоговый вход, оптимальное количество входов/выходов для реализации различных задач. Платы расширения для работы с энкодерами позволяют настраивать частотные преобразователи под конкретные задачи Вашего производства.
ОБЛАСТЬ ПРИМЕНЕНИЯ
Серия подходит для общепромышленных механизмов, а также для работы с энкодерами и управления моментом. Устройства могут использоваться для работы со станками, насосами, шредерами, дробилками, компрессорами, тележками и многим другим оборудованием.
СИСТЕМА ОБОЗНАЧЕНИЯ ПРЕОБРАЗОВАТЕЛЕЙ ЧАСТОТЫ INSTART СЕРИИ LCI
- Серия
- Режим G – общепромышленный*
- Мощность электродвигателя (кВт) для общепромышленного режима (G)
- Режим P – насосный**
- Мощность электродвигателя (кВт) для насосного режима (P)
- Номинальное напряжение: 2: 1~ 220 B± 15%, 50/60 Гц 4: 3~ 380 B± 15%, 50/60 Гц
- Встроенный тормозной модуль
- Встроенный дроссель постоянного тока
- Платы расширения (является опцией для преобразователей частоты серии FCI и LCI)
- Дополнительное защитное покрытие плат лаком
- Защитное покрытие плат компаундом
- Встроенный ЭМС фильтр
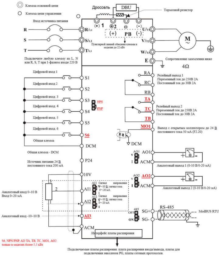
СХЕМА ПОДКЛЮЧЕНИЯ ПРЕОБРАЗОВАТЕЛЕЙ ЧАСТОТЫ INSTART СЕРИИ LCI
ГАБАРИТНЫЕ РАЗМЕРЫ
|
Серия
|
LCI |
|
Мощность
|
22/30 |
|
Напряжение
|
380В |
|
Тип нагрузки
|
Общепром/Насосный |
|
Размер (ШхВхГ), мм
|
220x410x225 |
|
Вес, кг
|
16.2 |
|
Ток,А
|
58 |
|
Пусконаладка
|
Да |
|
Гарантия
|
36 месяцев |
Для покупки товара в интернет-магазине ООО «ЭЛЕКТРОПРИВОД» выберите понравившийся товар и добавьте его в корзину. Далее перейдите в Корзину и нажмите на «Оформить заказ» или «Быстрый заказ».
Когда оформляете быстрый заказ, напишите ФИО, телефон и e-mail. Вам перезвонит менеджер ЭЛЕКТРОПРИВОДА и уточнит условия заказа. По результатам разговора на указанный Вами e-mail придет подтверждение оформления заказа.
При оформлении заказа в стандартном режиме заполните форму, указав способ получения товара (самовывоз из бесплатных пунктов выдачи заказов либо адрес для доставки), способ оплаты, данные о себе или организации, которую Вы представляете. Нажмите кнопку «Оформить заказ». Вам перезвонит менеджер ООО «ЭЛЕКТРОПРИВОД» и уточнит условия заказа. По результатам разговора на указанный Вами e-mail придет подтверждение оформления заказа.
Также Вы можете оформить заказ по электронной почте sale@eldrive.ru и телефону 8 (800) 101-28-88 (бесплатный звонок по России). Наши специалисты порекомендуют наиболее подходящее под ваши требования оборудование.
В ООО «ЭЛЕКТРОПРИВОД» заказы отгружаются покупателю после 100% предоплаты. Для покупателей доступны следующие способы оплаты:
Для физических лиц:
- онлайн-оплата;
- оплата наличными курьеру при доставке оборудования;
- оплата наличными в кассах ООО «ЭЛЕКТРОПРИВОД» при самовывозе оборудования
безналичная оплата в банке по квитанции.
- безналичная оплата по счету.
- самовывоз из бесплатных пунктов выдачи заказов по всей РФ.
- доставка собственным или привлеченным транспортом. При выборе этого способа Вам не нужно будет заботиться о сохранности груза, заключать дополнительные договоры и тратить свое время на подбор автомобиля нужной грузоподъемности и общение с перевозчиками.
- отгрузка через транспортные компании (далее ТК). Точная стоимость за услугу доставки через ТК определяется только после сдачи товара на терминал транспортной компании и оплачивается клиентом самостоятельно, если иное не предусмотрено договором.
Мы готовы организовать доставку товара в любую точку РФ.
Наши специалисты помогут рассчитать и подобрать оптимальный способ по стоимости и срокам доставки.


